
销售热线:137 7771 7703
气动硬密封蝶阀由活塞式气动执行机构及三偏心金属密封阀体组成,其结构采用三维编心原理设计,阀座采用硬软密封兼容的多层次结构,加工精湛,工艺先进。气动硬密封蝶阀可外配气动阀门定位器,输入控制信号(4-20mADC或1-5VDC)气源即可控制运转,亦可配行程限位开关、电磁阀、三联件及0.4-0.7MPa气源可实现开关操作,并送出二对无源触点信号指示阀门的开关。气动三偏心蝶阀由阀体、蝶板、多层次阀座、阀杆、传动机构等主要部件组成,属长寿命、节能型蝶阀。气动三偏心蝶阀被广泛地应用到冶金、电力、石油、化工、空气、煤气、可燃气体以及给排水等腐蚀性介质的管道上。
1、本阀采用三偏心密封结构,阀座与蝶板磨损小。
2、密封圈选用不锈钢制作,具有金属硬密封和弹性密封的双重优点,无论在低温和高温的情况下,均具有优良的密封性能,具有耐腐蚀,使用寿命长等特点。
3、蝶板密封面采用堆焊钴基硬质合金,密封面耐磨损,使用寿命长。
4、大口径蝶板采用绗架结构,强度高,过流面积大,流阻小。
5、气动三偏心蝶阀具有双向密封功能,安装时不受介质流向的限制,也不受空间位置的影响,可在任何方向安装。
6、驱动装置可以多工位(旋转90°或180°)安装,便于用户使用。
| 阀体形式 | 直通铸造蝶阀 |
| 公称通径 | DN50~1000mm |
| 公称压力 | PN1.0、1.6、2.5MPa |
| 法兰标准 | JIS B220、JB/T79、ANSI B16.5-1981、GB/T9113、HG20594-97、HG20618-97等 |
| 连接形式 | 法兰式、对夹式 |
| 阀盖形式 | 一体式 |
| 压盖型式 | 压盖压紧式 |
| 密封填料 | V型聚四氟乙烯填料、柔性石墨填料 |
| 阀板形式 | 垂直板式(蝶形) |
| 流量特性 | 调节型(近似等百分比)、开关型(线性) |
| 执行器型号 | GT系列、ST系列、AT系列、AW系列单双作用气动执行器 |
| 供气压力 | 400~700KPa |
| 气源接口 | G1/4"、G1/8"、G3/8"、G1/2" |
| 环境温度 | -30~+70℃ |
| 作用形式 | 单作用执行机构:气关式(B)--失气时阀位开(FO);气开式(K)--失气时阀位关(FC) 双作用执行机构:气关式(B)--失气时阀位保持(FL);气开式(K)-- 失气时阀位保持(FL) |
| 可配附件 | 定位器、电磁阀、空气过滤减压器、保位阀、行程开关、阀位传送器、手轮机构等 |
注:如需详细执行器参数,请进入气动执行器页面进行查阅。
| 1 | 底座 | HT200、WCB、CF3、CF3M、CF8、CF8M | ![]() | ![]() |
| 2 | 下轴套 | 铜合金、304、316 | ||
| 3 | 阀体 | HT200、WCB、CF3、CF3M、CF8、CF8M | ||
| 4 | 密封圈 | NBR丁晴橡胶、PTFE、PPL、304、316 | ||
| 5 | 压板、蝶板 | HT200、WCB、CF3、CF3M、CF8、CF8M | ||
| 6 | 固定销 | 25、35、45 | ||
| 7、8 | 上、下阀轴 | 2Cr13、304、316、316L | ||
| 9 | 上轴套 | 铜合金、304、316 | ||
| 10 | 填料 | 聚四氟乙烯/柔性石墨 | ||
| 11、12 | 填料压盖组件 | HT200、WCB、CF3、CF3M、CF8、CF8M |
| 回差 | 带定位器:小于全行程的2% |
| 基本误差 | 带定位器:小于全行程的±2% |
| 泄露量l/h | 符合ANSI B16.104 IV级标准 |
| 可调范围R | 50:1 |
| 公称通径DN(mm) | 50-1800 | |||
| 公称压力 | PN(MPa) | 0.6 | 1.0 | 1.6 |
| 试验压力 | 强度试验 | 0.9 | 1.5 | 2.4 |
| 密封试验 | 0.66 | 1.1 | 1.76 | |
| 低压气密试验 | 0.6 | 0.6 | 0.6 | |
| 适用介质 | 空气、水、污水、蒸气、煤气、油品等 | |||

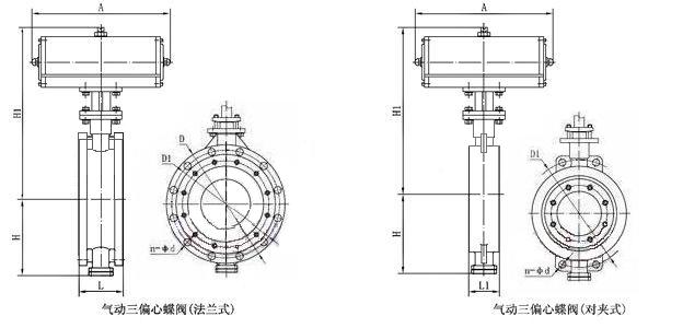
| 公称通径 DN(mm) | 50 | 65 | 80 | 100 | 125 | 150 | 200 | 250 | 300 | 350 | 400 | 450 | 500 | 600 |
| L | 108 | 112 | 114 | 127 | 140 | 140 | 152 | 165 | 178 | 190 | 216 | 222 | 229 | 267 |
| L1 | 43 | 46 | 49 | 56 | 64 | 70 | 71 | 76 | 83 | 92 | 102 | 113 | 127 | 154 |
| H | 112 | 115 | 120 | 140 | 170 | 180 | 210 | 240 | 290 | 320 | 350 | 380 | 410 | 470 |
| n-φd | 4-18 | 4-18 | 8-18 | 8-18 | 8-18 | 8-22 | 12-22 | 12-26 | 12-26 | 16-26 | 16-30 | 20-30 | 20-33 | 20-36 |
| H1 | 根据所配执行机构而定 | |||||||||||||
| A | 根据阀门所需力矩而定,配置执行器型号不同,外形尺寸也不相同 | |||||||||||||
| D | 165 | 185 | 200 | 220 | 250 | 285 | 340 | 405 | 460 | 520 | 580 | 640 | 715 | 840 |
| D1 | 125 | 145 | 160 | 180 | 210 | 240 | 295 | 355 | 410 | 470 | 525 | 585 | 650 | 770 |
注:以上参数均为PN1.6MPa为准,其他压力等级请咨询公司技术部,表中尺寸为不带标准附件数据,另由于产品改进技术创新参数可能有一定变化,请咨询公司技术部门索取最新数据。

手机二维码

微信二维码