
销售热线:137 7771 7703
型号说明
DR/SC551:进气接口G1/4 排气接口G1/8
DR/SC552:进气接口G3/8 排气接口G3/8
DR/SC553:进气接口G1/2 排气接口G1/2
注:DR为双电控,SC单电控
特点
●铝合金阀体,带螺纹接口和NAMUR接口
●同一滑阀可配接为3/2常闭或5/2,用于控制双作用和单作用气动执行器
●能防液体,灰尘或异物的侵入(实现外界影响防护)
●标准配置手动操作器
结构
阀体 :铝合金(黑色阳极化处理)
端盖,连接板:尼龙加玻璃纤维
内部零件 :锌基合金,65MnC组、尼龙玻璃纤维,铝合金
密封件:NBR+PUR
先导排气口 :螺纹接口(M5)
绝缘等级 : F
线圈外壳 :环氧树脂
线圈扁平插头:3×DIN46244
电气安全标准 :VDE 0580

主要技术参数

安装
·可任意位置安装
·随阀提供2个带NAMUR配合面的连接板
·在安装执行机构前,应根据阀的功能不同(常闭,3/2或5/2)将连接板正确安装到电磁阀
·随阀提供螺栓和垫片
·标准“G”螺纹接口,符合ISO228/1标准
·随阀提供安装/维修指南
·可供备用线圈

外形尺寸

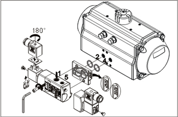
DR/SC551
①连接板
②安装:2-M5×35螺栓
③插座可2×180°旋转,CM8(Pg9P)
④2个“O”形圈(提供)
⑤手动操作器:螺旋型
⑥先导排气口:M5带排水保护装置
DR/SC552
DR/SC553

①连接板
②安装:2-M6×50螺栓
③插座可2×180°旋转,CM8(Pg9P)
④2个“O”形圈(提供)
⑤手动操作器:螺旋型
⑥先导排气口:M5带排水保护装置

手机二维码

微信二维码